Scientists have developed a wireless charging system for electric vehicles, with a DC-DC converter with three gates in the core. They have simulated the system and tested a prototype in their lab and have discovered that it has achieved an improved efficiency of 88%.
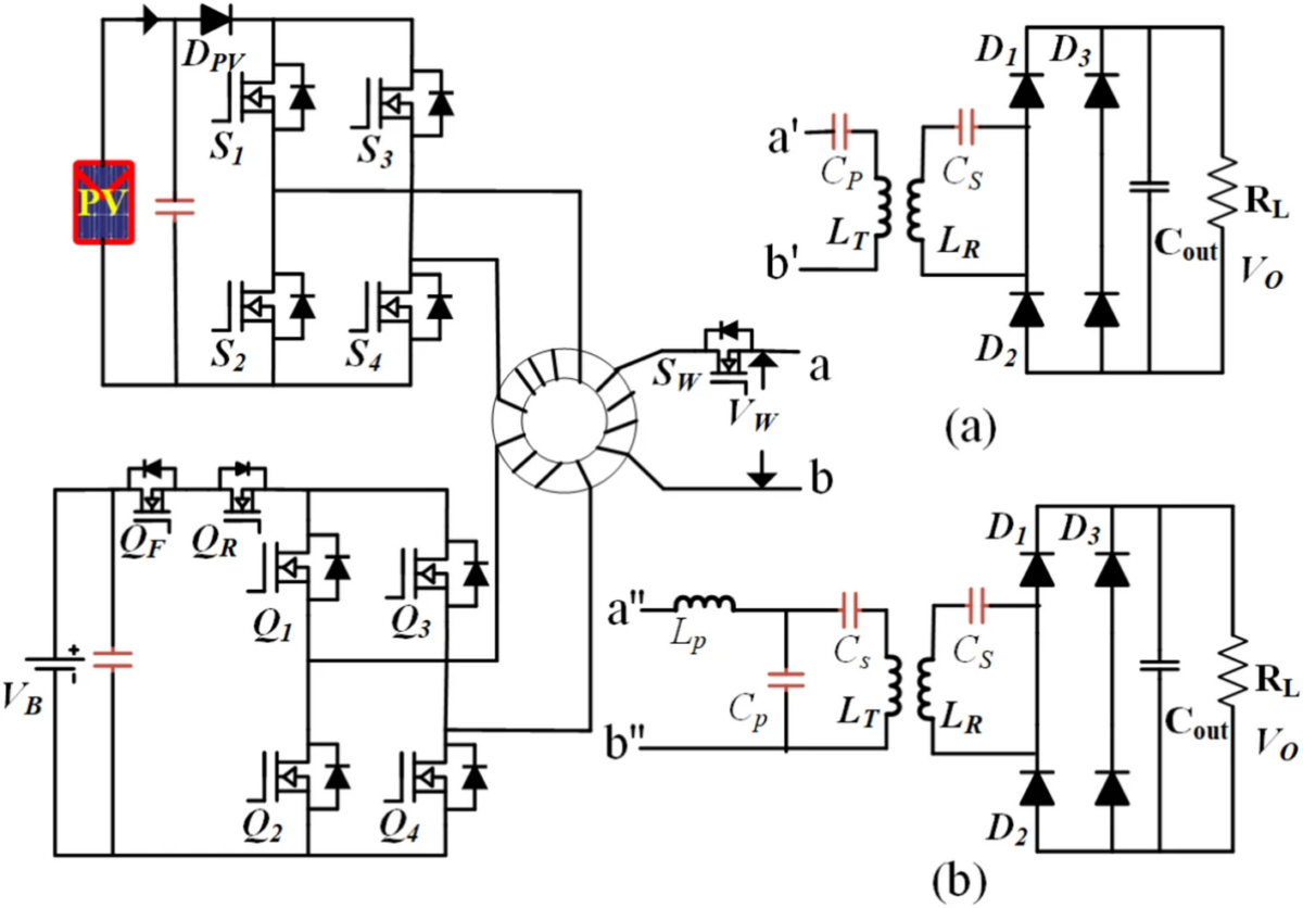
A group of scientists led by Indian SRM Institute of Science and Technology from India has developed a Wireless Charging System (WCS) for electric vehicles (EVs) that integrates the PV generation. In the core of the system, which was both simulated and experimentally tested in a laboratory, a DC-DC converter with three ports (TPC) lives.
“The most important contributions of this study are the development of a TPC for inductive wireless Power Power Transfer (WPT), making it possible to make an efficient energy management of multi-ports; techniques,” the team said.
The system was simulated for the first time in the Matlab-Simulink and Ansys Maxwell software. Central to the TPC topology was the high-frequency transformer, which included three different windings, which connected the PV, the battery and transmitter. The PV and batteries each used an H-Bridge-Omsorter that worked at 85 kHz, while the transmitter coil is connected via a switch. In the case of the SS configuration, a series of condenser is used on both the sender and the recipient. The LCC-S housing, on the other hand, adds an inductor and two capacitors to the transmitter side and one series of capacitor on the recipient side.
Image: SRM Institute of Science and Technology, Scientific Reports, CC by 4.0
“The operation of the proposed system can be subdivided into three modes based on the status of the PV port and the battery,” the group emphasized. “In the first mode, the PV system simultaneously provides power to both the WCS port (Load) and the ESS/Battery. In this scenario, where only PV supplies electricity to the WCS port is rare, because PV capacity usually aligns with the load capacity only for a short period during the total daily operation and the PV -port and port -port -port -port -port -port -port -port -port -port -port -port -port -port -port -port -port -port -port -port -port -port -port -port -port -port -port -port -port -port -port -port -port -port -port -port -port -port -port -port -port -port -port -port -port -port -port and port -port -port -port -port -port -port -port -port -port -port -port -port -port -port -port -port -port and portpoort portpoortpoortpoortpoortpoortpoortpoortpoortpoortpoortpoortpoortpoortpoortpoortpoortpoortpoortpoortpoortpoortpoortpoortpoortpoortpoortpoortpoortpoortpoortpoortpoortpoorte port and the PV port in the PV port in the PV port in this mode.
After the conception of the system in software, the team has built up a laboratory prototype of the system. It included a 500 W PV system and a 500 W ESS, both emulated using the ITech 6018B 500120 emulator. The WCS had a force of 350 W, using a square coil design. The high-frequency inverter (HFI) on the PV port side used four silicon carbide (SIC) Power Mosfet’s (STT2080KE) as active switches. The ESS Port-Side Converter also used STT2080KE MOSFETS.
According to their measurements, the proposed system achieves improved efficiency of 88%.
“The analysis and experimental results show an effective control of the power flow due to phase shift of the block golf outputs of the active bridges. The proposed TPC topology contains auxiliary switches at the ESS and WCS ports to eliminate the circulating current between the battery and PV ports, which said the power of the power flow,” said the team. “Moreover, the study reveals that PV-integrated TPC systems with LCC-S compensation perform better than SS compensation under the wrong alignment conditions.”
The academics described the system in “A multiport DC-to-DC converter-driven inductive wireless charging system for EVs with integrated photovoltaic and energy storage systems“Published in Scientific reports. Scientists from the SRM Institute of Science and Technology of India, KSR College of Engineering and the Norway of the University of Southeastern Norway have contributed to the study.
This content is protected by copyright and may not be reused. If you want to work with us and reuse part of our content, please contact: editors@pv-magazine.com.
Popular content

